- 商品介绍
- 资料下载
SAILSORS A2DU指针变送器利用无摩擦的磁体螺旋运动,以橡胶膜片作为敏感元件而进行测量,能利用指针迅速指示出被测气体的压力,无论是正压、负压或差压。此设计具有防震,晃动和过压的功能。而且表内无需充注液体,也就没有气化、冻结、异味的问题出现。在此技术上.又增加了射频非接触位移测量技术,将膜片的位移量转化为标准的4 ~ 20mA电流输出。
A2DU是机械表和变:送器的二合一产品。同时提供清晰易读的指针指示和标准两线制4~ 20mA电流输出功能.在断电的情况下,不会影响现场读数。
性能指标:
●机械表性能指标
适用介质:空气及与之兼容的非易燃性气体
外壳材质:压模铸铝或含尼龙的ABS塑料。
精度:标准为土2%6F.S (60Pa和125Pa为士4% F.S)
稳定性:士1%满量程/年
压力极限: 100KPa
温度范围: -7~60°C
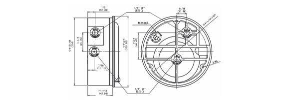
过程连接:高压和低压孔均为1/8”锥管螺纹,两组(侧面和背面各-组)过压:约172KPa时橡胶过压塞被冲开。
尺寸: 4"大表盘
重量: 460g(铝) .275g(ABS)
标准附件: 2个1/8”NPT堵头,2个1/8”螺纹橡胶管接头,和3个带螺钉的,嵌入式安装螺钉卡。
●变送器性能指标
精度: +2%F.S (包括非线性、 迟滞、重复性)
温度范围: -7~60°C
温度漂移: 0.05%FS/C
供电电源: 12~ 30VDC
电流输出: 4~ 20mA
零点调整:单独旋转调节
回路阻抗:更大0~ 12500
更大电流: 25mA
电气连接:塑料航空插头
外形尺寸:

订货选型:
